Wishlist

0 articoli

Ordine

0 Articoli

Scheda PRODOTTO

CHIAMACI AL +39 0543 77 95 18
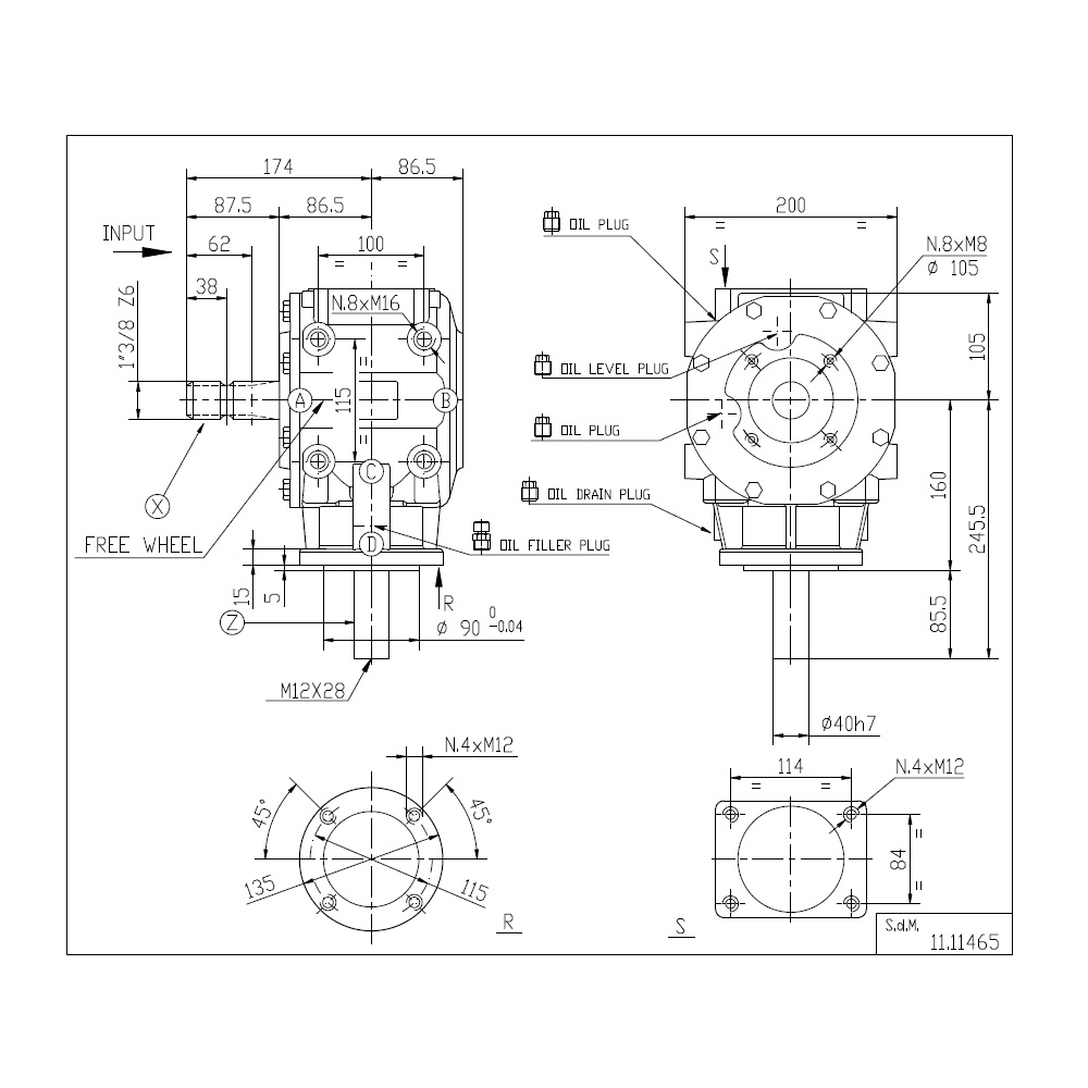
9.312.762.10

SCAT.INGR. 3 R M-45.6 T-312A

iva esclusa
€ 433,57
DISPONIBILITÀ LIMITATA
Costi di spedizione
Calcolo della spedizione
  • Trasporto a mezzo corriere Bartolini BRT 0,00 €
Dettaglio prodotto
PRODUTTORE: COMER INDUSTRIES S.P.A.

Modello: T-312A

CARATTERISTICHE TECNICHE:

Tipo utilizzo: Moltiplicatore di giri

Potenza ammissibile: 62Cv-45,6Kw (540RPM)

Rapporto: 3

Numero Uscite: 1

Senso di Rotazione
Il senso di rotazione viene definito orario o antiorario guardando frontalmente il componente in moto (albero, ruota flangiata, ruota dentata),
lasciando cioè la scatola dietro il componente



Sensi di Rotazione Alberi:
Scarica la scheda tecnica per vedere i possibili sensi di rotazione

Materiale: Ghisa

Peso a vuoto: Kg 27

Particolarità: presenza di Ruota libera all'interno

Fornito privo di lubrificante

• Possibili diverse combinazioni di senso di rotazione alberi (consultare nostro UFFICIO TECNICO)
Elenco degli articoli abbinati
Controlla quantità
DISPONIBILE
9.312.537.00

ATTACCO POMPA V3 TP-312E

€ 224,82

LINK
Privacy Policy
Cookie Policy

haumeastore
CONTATTI
VIA NICOLA SACCO, 12
47122 FORLÌ (FC) – ITALY
TEL. +39 0543 77 95 18
MAIL: INFO@HAUMEA.COM
C.F./P.IVA IT 03492120401

C.Soc. € 15.500,00 I.V.
REA 302939
SOCIAL
Iscriviti alla nostra newsletter:
*
Privacy Policy
Divisioni

Seguici su:
Powered by Passepartout